Skip to Main Content
My Favorites
Please create an account to create a wishlist
Create an Account
My Account
Forgot Password?
Popular Products
Ice Eaters Explained
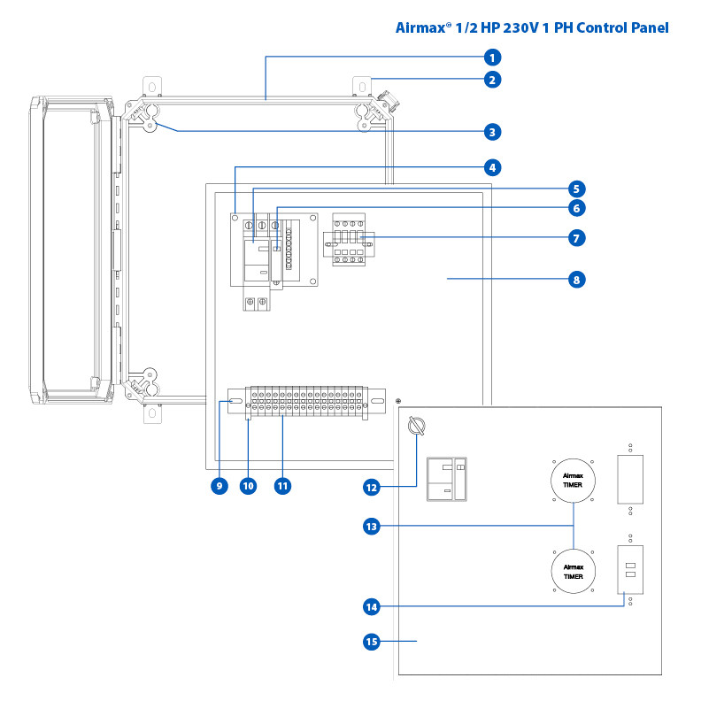
652538 - 1 - Airmax Electrical Enclosure, 16"h x 14"w x 8"d
Out of Stock
652503 - 2 - Airmax Mounting Foot Kit
652519 - 3 - Airmax Control Panel Replacement Stanchion Kit
651970 - 4 - Airmax Circuit Breaker Mounting Base
651971 - 5 - Airmax Circuit Breaker, 230v/15A 2-Pole GFCI
651976 - 6 - Airmax 15 Amp Single-Pole Circuit Breaker
651962 - 7 - Airmax 1/2 HP Contactor, 230v
652505 - 8 - Airmax Sub Panel 16.5"h x 14.5"w x .125"d
651076 - 9 - Airmax DIN Rail Per Foot
651942 - 10 - Airmax Screw Clamp End Barrier
651781 - 11 - Airmax Screw Clamp Feed Through Kit (Black, White, Red, Gray, Green)
652512 - 12 - Airmax Swing Panel Door Latch, Wing Handle
651112 - 13 - Airmax Digital Timer, 120v/60Hz, 12 Hour
651952 - 14 - Airmax 20 Amp Feed Through 120 Volt Receptacle Blank GFCI
652504 - 15 - Airmax Swing Panel 16.5"h x 14.25"w x .125"d
Customer Reviews